←
→
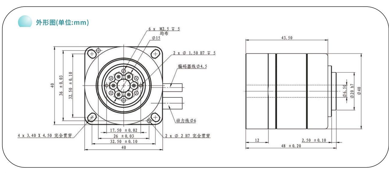
DD马达系例DMFI40-0.8FE2
►完全密封的定子绕组
►有内转子和外转子两种结构类型来满足更多应用需求
►具有高精度、高刚性、低轴向径向跳动等优点
►绝对精度可达±10arc-sec
650彩票►重复定位精度可达±0.5arc-sec
►RoHs、FCC、CE认证
►完全密封的定子绕组
►有内转子和外转子两种结构类型来满足更多应用需求
►具有高精度、高刚性、低轴向径向跳动等优点
►绝对精度可达±10arc-sec
650彩票►重复定位精度可达±0.5arc-sec
►RoHs、FCC、CE认证



扫一扫关注官方微信
18922805132